拖动LOGO至书签栏,立即收藏小米粒文库
首页
党建公文
汇报报告
综合大类
党性分析
乡村振兴
意识形态
调查研究
党建工作
思想汇报
剖析整改
典型案例
换届选举
自我评价
主题教育
先进事迹
述职述廉
自查报告
通知报告
心得体会
综合大类
经验交流
观后感
读后感
学习体会
主题教育
教育整顿
总结计划
综合大类
工作计划
安全生产
教育整顿
主题教育
意识形态
党建工作
党风廉政
年终总结
季度半年
讲话发言
讲话稿
发言稿
演讲稿
主持词
致辞
党课讲稿
教育整顿
主题教育
廉政建设
慰问信
竞职竞聘
研讨材料
表彰大会
任职表态
安全生产
灾害防治
金融会议
组织生活
对照检查
批评意见
方案报告
讲话发言
谈心谈话
主持词
电脑桌面
添加小米粒文库到电脑桌面
安装后可以在桌面快捷访问
立即添加
上传文档
开通会员
限时优惠
充值
登录 | 注册
办公文档专营
个人创作者
实名认证
内容提供者
大量办公文档,欢迎选择
关注
收藏
海报
分享
微信扫码分享
或点击分享到
QQ空间
QQ好友
新浪微博
首页
文档
文章
资料
文档
37P
卫生服务中心异地重建环评报告
84
1P
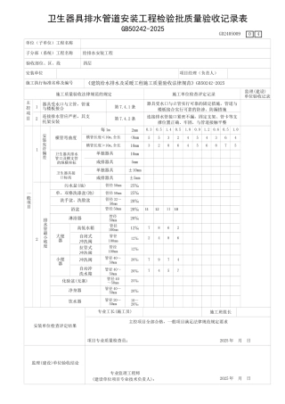
卫生器具排水管道安装工程检验表4
77
1P
卫生器具及给水配件安装工程检验表1
135
4P
卧床病人的护理
181
27P
博览中心工程测量施工方案
198
1P
博物馆讲解员工作总结-精品范文资料
60
27P
博物馆新馆暖通安装专业工程施工组织设计1
179
55P
博物馆安防设备采购及相关服务招标文件
143
13P
博物馆地下室防水工程施工技术交底
130
2P
博康特胶粉聚苯颗粒保温砂浆
142
9P
博士生99-00及硕士00-01入学试题及答案
161
71P
南非nosa综合性五星体系手册
194
首页
上页
32
33
34
35
36
下页
尾页
0
粉丝
0
关注
0
收藏
38
人气
阅读排行
2024年新党章全文内容
缓刑矫正人员每月思想汇报
最新高一议论文100字挑战书
2024新修订《中国共产党纪律处分条例》全文解读
社会现象顺口溜
基督教讲章我们的眼睛向神仰望
中国工商银行员工内部退养管理办法
行政处罚陈述与申辩书——模板
红岩读书笔记好词好句摘抄作文200字
支部大会通过接收申请人为预备党员的决议范文
确认删除?
VIP
微信客服
扫码咨询
会员Q群
会员专属群
客服邮箱
客服邮箱
xiaomilidoc@163.com
回到顶部