拖动LOGO至书签栏,立即收藏小米粒文库
首页
党建公文
汇报报告
综合大类
党性分析
乡村振兴
意识形态
调查研究
党建工作
思想汇报
剖析整改
典型案例
换届选举
自我评价
主题教育
先进事迹
述职述廉
自查报告
通知报告
心得体会
综合大类
经验交流
观后感
读后感
学习体会
主题教育
教育整顿
总结计划
综合大类
工作计划
安全生产
教育整顿
主题教育
意识形态
党建工作
党风廉政
年终总结
季度半年
讲话发言
讲话稿
发言稿
演讲稿
主持词
致辞
党课讲稿
教育整顿
主题教育
廉政建设
慰问信
竞职竞聘
研讨材料
表彰大会
任职表态
安全生产
灾害防治
金融会议
组织生活
对照检查
批评意见
方案报告
讲话发言
谈心谈话
主持词
电脑桌面
添加小米粒文库到电脑桌面
安装后可以在桌面快捷访问
立即添加
上传文档
开通会员
限时优惠
充值
登录 | 注册
文旅传媒
个人创作者
实名认证
内容提供者
传播文化,成就未来
关注
收藏
海报
分享
微信扫码分享
或点击分享到
QQ空间
QQ好友
新浪微博
首页
文档
文章
资料
文档
4P
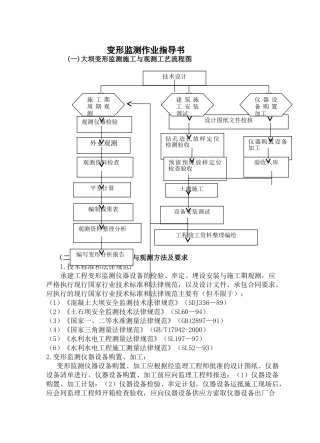
变形监测作业指导书p
50
6P
变压器着火爆炸事故应急预案
64
8P
受限空间安全作业管理规定
72
20P
发酵车间、外管线安装工程施工组织设计
116
19P
发电机电气安装作业指导书
190
144P
发电厂项目创优策划书
135
18P
发电厂工程工艺管道焊接作业指导书
117
6P
发生炉煤气与lng作为工业燃料气源的比较
100
5P
发泡混凝土施工承包合同
157
3P
发挥交通运输优势促进城乡物流业快速发展
108
4P
发展教师核心素养和能力-助力建设新时代教育强国
77
179P
发展中心大厦机电分包工程施工组织设计方案
150
首页
上页
49
50
51
52
53
下页
尾页
0
粉丝
0
关注
0
收藏
30
人气
阅读排行
经典译制片国语配音老电影大全100部
知青补偿最新政策出台
学生陈述申请认定理由5篇
最新预备党员转正会议流程
文风会风整改措施
2025年钳工等级考证图纸完整版
山西省机构编制管理规定
雄心壮志得不到施展的诗句
楼底拆迁计划方案
格律在线检测[平水韵词林正韵中华新韵]平仄押韵词谱检查
确认删除?
VIP
微信客服
扫码咨询
会员Q群
会员专属群
客服邮箱
客服邮箱
xiaomilidoc@163.com
回到顶部