拖动LOGO至书签栏,立即收藏小米粒文库
首页
党建公文
汇报报告
综合大类
党性分析
乡村振兴
意识形态
调查研究
党建工作
思想汇报
剖析整改
典型案例
换届选举
自我评价
主题教育
先进事迹
述职述廉
自查报告
通知报告
心得体会
综合大类
经验交流
观后感
读后感
学习体会
主题教育
教育整顿
总结计划
综合大类
工作计划
安全生产
教育整顿
主题教育
意识形态
党建工作
党风廉政
年终总结
季度半年
讲话发言
讲话稿
发言稿
演讲稿
主持词
致辞
党课讲稿
教育整顿
主题教育
廉政建设
慰问信
竞职竞聘
研讨材料
表彰大会
任职表态
安全生产
灾害防治
金融会议
组织生活
对照检查
批评意见
方案报告
讲话发言
谈心谈话
主持词
电脑桌面
添加小米粒文库到电脑桌面
安装后可以在桌面快捷访问
立即添加
上传文档
开通会员
限时优惠
充值
登录 | 注册
一帆文传
个人创作者
实名认证
内容提供者
欢迎光临店铺,各类公文供您挑选。
关注
收藏
海报
分享
微信扫码分享
或点击分享到
QQ空间
QQ好友
新浪微博
首页
文档
文章
资料
文档
3P
木工班安全技术交底014114
95
1P
木地板变形控制措施
169
2P
期框架03建筑结构计算原理、概念设计及结构体型详解
115
11P
朗诵稿三篇文章
81
65P
服装商业管理系统V6
170
67P
服务管理中心装饰装修工程招标文件
117
114P
服务中心大楼工程施工招标文件
98
31P
有限空间作业安全告知牌及警示标志
81
6P
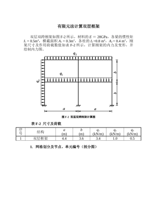
有限元法计算双层框架
82
32P
有粘结预应力施工方案
66
8P
有机废气处理方案
132
6P
有吊车作用轻钢厂房的结构设计
101
首页
上页
29
30
31
32
33
下页
尾页
0
粉丝
0
关注
0
收藏
23
人气
阅读排行
2025湖南省职工基本医疗保险门诊慢特病病种范围和医保支付标准
2025年最新四川省燃气管理条例
外交部考试录用公务员公示名单
江西省中小学教师正高职称晋级资格评审条件
小学奥数七大模块36个知识
温州市龙湾区拟提拔任用区管领导干部
糖度与密度对照表
2024贵州省普通高中学生家庭经济情况调查表
中国城市行政级别详解
2024合肥一六八中学自主招生数学试卷
确认删除?
VIP
微信客服
扫码咨询
会员Q群
会员专属群
客服邮箱
客服邮箱
xiaomilidoc@163.com
回到顶部