拖动LOGO至书签栏,立即收藏小米粒文库
首页
党建公文
汇报报告
综合大类
党性分析
乡村振兴
意识形态
调查研究
党建工作
思想汇报
剖析整改
典型案例
换届选举
自我评价
主题教育
先进事迹
述职述廉
自查报告
通知报告
心得体会
综合大类
经验交流
观后感
读后感
学习体会
主题教育
教育整顿
总结计划
综合大类
工作计划
安全生产
教育整顿
主题教育
意识形态
党建工作
党风廉政
年终总结
季度半年
讲话发言
讲话稿
发言稿
演讲稿
主持词
致辞
党课讲稿
教育整顿
主题教育
廉政建设
慰问信
竞职竞聘
研讨材料
表彰大会
任职表态
安全生产
灾害防治
金融会议
组织生活
对照检查
批评意见
方案报告
讲话发言
谈心谈话
主持词
电脑桌面
添加小米粒文库到电脑桌面
安装后可以在桌面快捷访问
立即添加
上传文档
开通会员
限时优惠
充值
登录 | 注册
津创媒
个人创作者
实名认证
内容提供者
欢迎交流文创,小店资料希望满足您的需要。
关注
收藏
海报
分享
微信扫码分享
或点击分享到
QQ空间
QQ好友
新浪微博
首页
文档
文章
资料
文档
3P
《彩虹色的花》经典教案
133
6P
《开花和结果》教学设计
195
49P
《建设工程造价管理基础知识》
91
26P
《建设工程监理规范》GB50319-2025-
69
112P
《建设工程施工合同示范文本》
161
13P
《建设工程文件归档整理规范》---附录A
157
9P
《建设工程三方主体单位安全生产责任书》
101
33P
《建筑装饰工程施工及验收规范》06261
156
23P
《建筑消防设施的维护管理》表格
192
53P
《建筑施工组织与管理》教案
99
104P
《建筑施工技术》教案-
112
2P
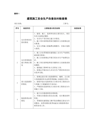
《建筑施工安全生产自查自纠检查表》
65
首页
上页
393
394
395
396
397
下页
尾页
0
粉丝
0
关注
0
收藏
35
人气
阅读排行
警衔津贴标准新旧对比
中国特色社会主义进入新时代的主要标志
情人工作辛苦了说安慰的话语
“关爱老人—献文艺献爱心”慈善演出活动策划与“军旅杯”演讲稿汇编
华为孙亚芳老公是谁孙亚芳和任正非是什么关系
赞美耶稣三句半
历任山西省委书记名单
“中班艺体学习工作计划”幼儿园工作计划与“乡镇中心幼儿园学计划”幼儿园工作计划汇编
一位机长给妻子的一封信老婆
新的一年向主感恩求告的祷告词
确认删除?
VIP
微信客服
扫码咨询
会员Q群
会员专属群
客服邮箱
客服邮箱
xiaomilidoc@163.com
回到顶部